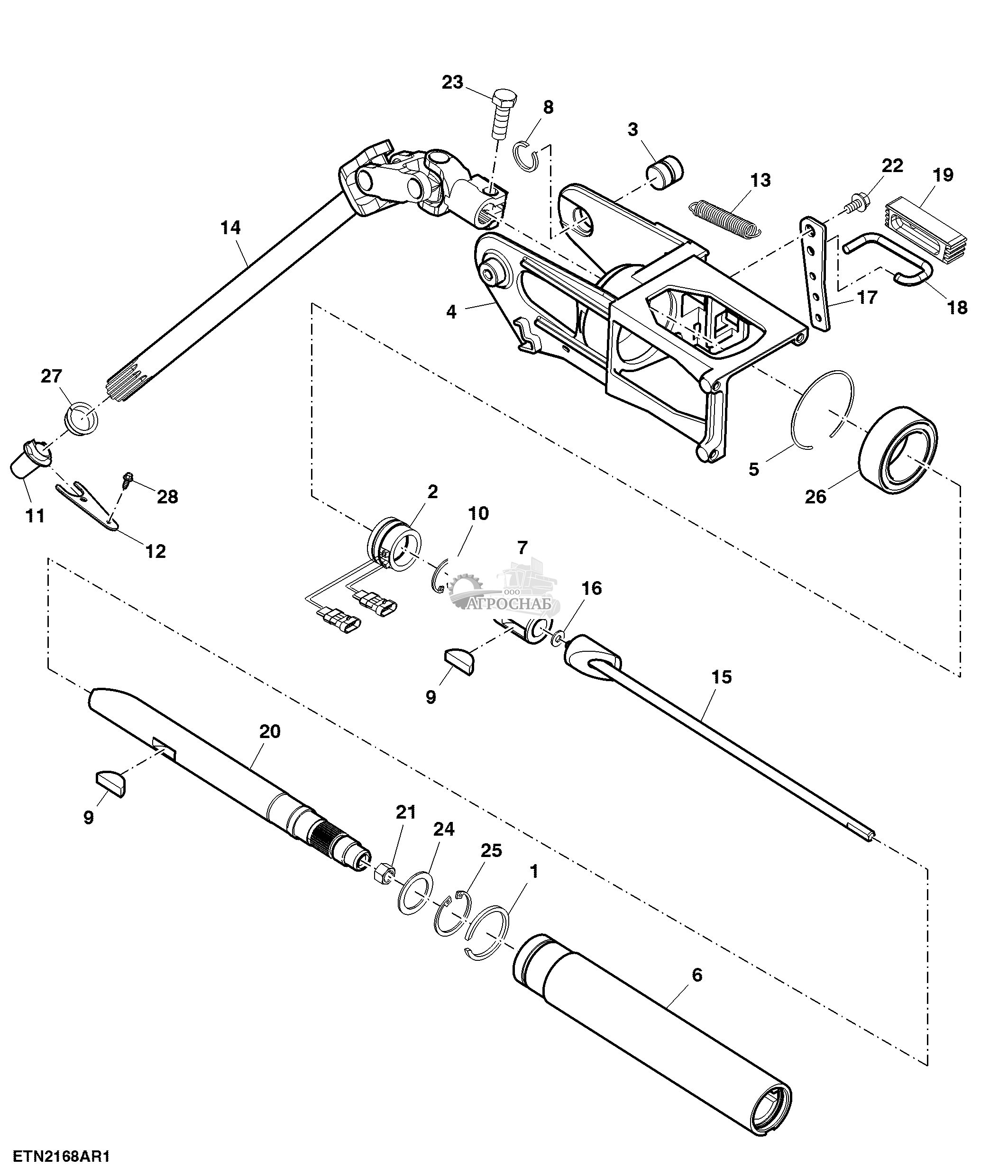
| key | PART NO. | PART NAME | QTY | SERIAL NO. | REMARKS | |
|---|---|---|---|---|---|---|
| 1 | A364R | Пружинное кольцо | 1 | (A) | ||
| 2 | RE223173 | Датчик | 1 | (A) | ||
| 3 | R121466 | Установочный штифт | 1 | (A) | ||
| 4 | R306836 | Ось поворота | 1 | (A) | ||
| 5 | R205486 | Пружинное кольцо | 1 | (A) | ||
| 6 | R209502 | Корпус | 1 | (A) | ||
| 7 | R242501 | Наконечник | 1 | (A) | ||
| 8 | R73380 | Пружинное кольцо | 1 | (A) | ||
| 9 | 26H86 | Шпонка вала | 1 | 5/16" X 1" (A) | ||
| 10 | 40M7256 | Пружинное кольцо | 1 | (A) | ||
| key | PART NO. | PART NAME | QTY | SERIAL NO. | REMARKS | |
| 11 | R194112 | Уплотнение | 1 | |||
| 12 | R126911 | Хомут | 1 | |||
| 13 | H80128 | Пружина растяжения | 1 | |||
| 14 | RE173363 | Универс. шарнир с валом | 1 | |||
| 15 | RE57594 | Стержень | 1 | |||
| 16 | 24H1283 | Шайба | 1 | 7/32" X 1/2" X 0.049" | ||
| 17 | R107563 | Рычаг | 1 | |||
| 18 | R120055 | Стержень | 1 | |||
| 19 | R126570 | Упор | 1 | |||
| 20 | R209893 | Ось | 1 | |||
| key | PART NO. | PART NAME | QTY | SERIAL NO. | REMARKS | |
| 21 | 14M7327 | Стопорная гайка | 1 | M8 | ||
| 22 | 19M7774 | Винт | 1 | M6 X 12 | ||
| 23 | 19M8584 | Винт с головкой | 1 | M10 X 30 | ||
| 24 | 24H1439 | Шайба | 1 | 1" X 1-3/8" X 0.060" | ||
| 25 | 40M1858 | Пружинное кольцо | 1 | |||
| 26 | RE212762 | Шариковый подшипник | 1 | |||
| 27 | R111774 | Втулка | 1 | |||
| 28 | 37M7090 | Винт | 1 | M6 X 16 | ||
| 29 | RE226156 | Ось поворота | 1 | SUB FOR AR234907, INCLU DES (A), Not Illustrated |
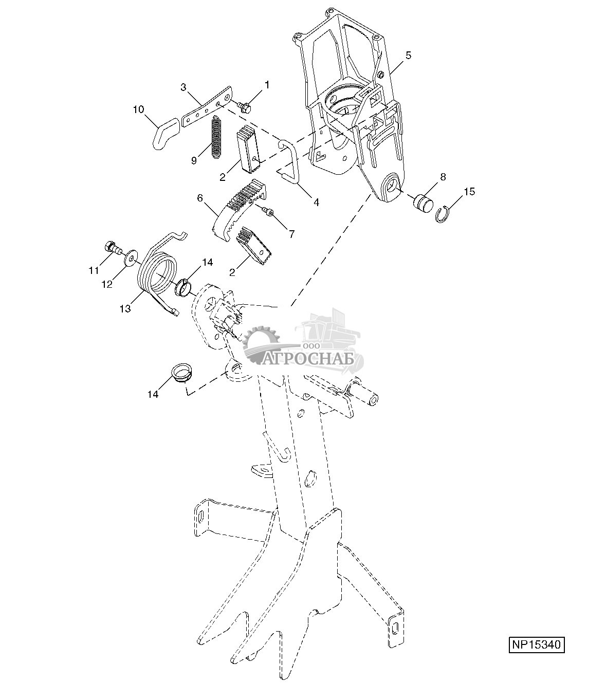
| key | PART NO. | PART NAME | QTY | SERIAL NO. | REMARKS | |
|---|---|---|---|---|---|---|
| 1 | 19M7774 | Винт | 1 | M6 X 12 | ||
| 2 | R126570 | Упор | 2 | |||
| 3 | R107563 | Рычаг | 1 | |||
| 4 | R120055 | Стержень | 1 | |||
| 5 | R126039 | Ось поворота | 1 | |||
| 6 | R126569 | Сектор | 1 | |||
| 7 | 19M7887 | Винт | 1 | M5 X 10 | ||
| 8 | R121466 | Установочный штифт | 1 | |||
| 9 | H80128 | Пружина растяжения | 1 | |||
| 10 | L76191 | Рукоятка | 1 | |||
| key | PART NO. | PART NAME | QTY | SERIAL NO. | REMARKS | |
| 11 | 19M7932 | Винт с головкой | 1 | M8 X 16 | ||
| 12 | 24M7207 | Шайба | 1 | 8.400 X 24 X 2 mm | ||
| 13 | R107548 | Торсионные пружины | 1 | |||
| 14 | R111774 | Втулка | 2 | |||
| 15 | R73380 | Пружинное кольцо | 1 |
| key | PART NO. | PART NAME | QTY | SERIAL NO. | REMARKS | |
|---|---|---|---|---|---|---|
| 1 | AN206380 | Клапан | 1 | Without Autotrac | ||
| AL112819 | Комплект уплотнений | 1 | ||||
| 2 | 38H1522 | Коленчатый патрубок | 2 | |||
| 3 | R26375 | Уплотнительное кольцо | 4 | |||
| 4 | T77613 | Уплотнительное кольцо | 3 | |||
| 5 | 38H1171 | Фитинг переходника | 2 | |||
| 6 | N307399 | Шайба | 1 | |||
| 7 | 38H1435 | Коленчатый патрубок | 1 | |||
| 8 | R28782 | Уплотнительное кольцо | 1 | |||
| 9 | AN208709 | Гидрошланг | 1 | Steering Valve Pressure | ||
| key | PART NO. | PART NAME | QTY | SERIAL NO. | REMARKS | |
| 10 | AN206137 | Гидрошланг | 1 | Steering Valve LS | ||
| 11 | AN206130 | Гидрошланг | 1 | Steering Unit Tank | ||
| 12 | AN207598 | Гидрошланг | 2 | Steering Cylinder Base |
| key | PART NO. | PART NAME | QTY | SERIAL NO. | REMARKS | |
|---|---|---|---|---|---|---|
| 1 | R126636 | Изолятор | 1 | |||
| 2 | R132275 | Кронштейн | 1 | |||
| 3 | R126640 | Шлицевое соединение | 1 | |||
| 4 | R126641 | Шлицевое соединение | 1 | |||
| 5 | 19M7785 | Винт | 2 | M10 X 25 | ||
| 6 | AT116162 | Изолятор | 4 | |||
| 7 | 24M7178 | Шайба | 3 | 10.500 X 30 X 2.500 mm | ||
| 8 | 19M7786 | Винт | 4 | M10 X 30 | ||
| 9 | 24M7028 | Шайба | 2 | 10.500 X 20 X 2 mm | ||
| 10 | RE66710 | Кронштейн | 1 | |||
| key | PART NO. | PART NAME | QTY | SERIAL NO. | REMARKS | |
| 11 | 19M7167 | Винт с головкой | 2 | M10 X 25 | ||
| 12 | N209720 | Стопор | 1 | |||
| 13 | 24M7346 | Шайба | 2 | 11 X 20 X 2 mm |
| key | PART NO. | PART NAME | QTY | SERIAL NO. | REMARKS | |
|---|---|---|---|---|---|---|
| 1 | T77613 | Уплотнительное кольцо | 8 | |||
| 2 | AN403233 | Гидрошланг | 1 | SUB FOR AN205012 | ||
| 3 | R44302 | Обвязной хомут | 3 | |||
| 4 | AN403257 | Гидрошланг | 1 | (A) SUB FOR AN207124 | ||
| 5 | 38H1171 | Фитинг переходника | 3 | |||
| 6 | R26375 | Уплотнительное кольцо | 4 | |||
| 7 | AN403242 | Гидрошланг | 1 | SUB FOR AN205964 | ||
| 8 | 38H1522 | Коленчатый патрубок | 2 | |||
| 9 | T77814 | Уплотнительное кольцо | 7 | |||
| 10 | AN403231 | Гидрошланг | 1 | SUB FOR AN203603 | ||
| key | PART NO. | PART NAME | QTY | SERIAL NO. | REMARKS | |
| 11 | 38H1435 | Коленчатый патрубок | 1 | |||
| 12 | R28782 | Уплотнительное кольцо | 5 | |||
| 13 | AH97280 | Зажимная скоба | AR | |||
| AH78125 | Зажимная скоба | AR | ||||
| 14 | 38H1159 | Фитинг переходника | 1 | |||
| 15 | AN403290 | Гидрошланг | 2 | SUB FOR AN302750 | ||
| 16 | AN403291 | Гидрошланг | 1 | SUB FOR AN302751 | ||
| 17 | 38H1044 | Коленчатый патрубок | 4 | |||
| 18 | 19M9840 | Винт | 2 | |||
| 19 | E63525 | Гайка | 2 | |||
| key | PART NO. | PART NAME | QTY | SERIAL NO. | REMARKS | |
| 20 | H120847 | Скоба | 4 | |||
| 21 | 38H1015 | Тройник | 1 | |||
| 22 | R28782 | Уплотнительное кольцо | 2 | |||
| 23 | 38H1023 | Тройник | 1 | |||
| 24 | AN403232 | Гидрошланг | 1 | SUB FOR AN205003 |
| key | PART NO. | PART NAME | QTY | SERIAL NO. | REMARKS | |
|---|---|---|---|---|---|---|
| 1 | N206903 | Гайка | 1 | |||
| 2 | AN209414 | Конец попер. рулев. тяги | 1 | |||
| 3 | AN209415 | Конец попер. рулев. тяги | 1 | |||
| 4 | KK12054 | Гайка | 2 | |||
| 5 | AN302046 | Гидравлический цилиндр | 1 | |||
| 6 | 11H240 | Шплинт | 2 | 5/32" X 1-1/2" | ||
| .. | AN206314 | Комплект уплотнений | 1 |
| key | PART NO. | PART NAME | QTY | SERIAL NO. | REMARKS | |
|---|---|---|---|---|---|---|
| 1 | RE66277 | Нажимной переключатель | 1 | |||
| 2 | R124716 | Стопор | 1 | |||
| 3 | R194599 | Кронштейн | 1 | SUB FOR MN10674 | ||
| 4 | 37M7092 | Винт | 1 | M8 X 16 |
| key | PART NO. | PART NAME | QTY | SERIAL NO. | REMARKS | |
|---|---|---|---|---|---|---|
| 1 | R131803 | Распорная втулка | 1 | |||
| 2 | N303779 | Анкер | 1 | |||
| 3 | R72654 | Пружинное кольцо | 2 | |||
| 4 | R124313 | Педаль | 1 | |||
| 5 | JD8535 | Шариковый подшипник | 2 | |||
| 6 | R56397 | Шайба | 1 | |||
| 7 | 19M7932 | Винт с головкой | 1 | M8 X 16 | ||
| 8 | R254812 | Крепление со штифтом | 1 | |||
| 9 | N303491 | Стержень | 1 | |||
| 10 | 11M7054 | Шплинт | 1 | 6.300 X 32 mm | ||
| key | PART NO. | PART NAME | QTY | SERIAL NO. | REMARKS | |
| 11 | RE65233 | Подшипник | 1 | |||
| 12 | 37M7089 | Винт | 2 | M6 X 12 | ||
| 13 | N281711 | Пружина растяжения | 1 | |||
| 14 | R129676 | Крышка | 1 |
| key | PART NO. | PART NAME | QTY | SERIAL NO. | REMARKS | |
|---|---|---|---|---|---|---|
| 1 | AN303225 | Трак | 1 | |||
| 2 | AN207412 | Фитинг | 1 | |||
| 3 | AN207421 | Комплект уплотнений | 1 | |||
| 4 | AN306144 | Комплект гильз | 1 | |||
| 5 | 19M9921 | Винт | 2 | M16 X 100 | ||
| 6 | AN305675 | Тормоз | 1 | |||
| 7 | N311267 | Кронштейн | 1 | LH | ||
| N311268 | Кронштейн | 1 | RH | |||
| 8 | 19M10008 | Винт с головкой | 3 | M20 X 70 | ||
| 9 | 24M7090 | Шайба | 3 | 22 X 37 X 3 mm | ||
| key | PART NO. | PART NAME | QTY | SERIAL NO. | REMARKS | |
| 10 | R28782 | Уплотнительное кольцо | 1 | |||
| 11 | 38H1159 | Фитинг переходника | 1 | |||
| 12 | T77814 | Уплотнительное кольцо | 1 | |||
| 13 | AN302285 | Гидрошланг | 1 | |||
| 14 | N320016 | Штифт | 2 | |||
| 15 | N320017 | Пружинный стопорный штифт | 4 | |||
| 16 | N320018 | Винт с головкой | 4 | M16 X 100 | ||
| 17 | N320019 | Шайба | 4 | 17.856 X 29.083 X 3.505 mm |
| key | PART NO. | PART NAME | QTY | SERIAL NO. | REMARKS | ||
|---|---|---|---|---|---|---|---|
| 1 | R26448 | Уплотнительное кольцо | 4 | (B) | |||
| 2 | T77613 | Уплотнительное кольцо | 4 | ||||
| 3 | 38H1004 | Коленчатый патрубок | 2 | ||||
| 4 | 38H1160 | Фитинг переходника | 2 | ||||
| 5 | AN302506 | Поршень | 1 | ||||
| 6 | ...... | Сальник | 1 | (B) | |||
| 7 | ...... | Пружина | 1 | (A) | |||
| 8 | ...... | Направляющая | 1 | (A) | |||
| 9 | ...... | Втулка | 1 | (A) | |||
| 10 | ...... | Пружинное кольцо | 1 | (A) | |||
| key | PART NO. | PART NAME | QTY | SERIAL NO. | REMARKS | ||
| 11 | ...... | Пружина растяжения | 1 | (A) | |||
| 12 | ...... | Заглушка | 1 | (A) | |||
| 13 | ...... | Стопор | 1 | (A) | |||
| 14 | ...... | Пружина | 1 | (A) | |||
| 15 | ...... | Шар | 1 | (A) | |||
| 16 | ...... | Корпус | 1 | ||||
| 17 | E43492 | Уплотнительное кольцо | 1 | (B) | |||
| 18 | AN302083 | Клапан | 1 | - | 8000 | ||
| .. | AN205522 | Комплект уплотнений | 1 | Include Keys Marked (B) | |||
| .. | AN302204 | Комплект | 1 | Include Keys Marked (A) | |||
| key | PART NO. | PART NAME | QTY | SERIAL NO. | REMARKS | ||
| 19 | 19M8456 | Винт с головкой | 2 | M8 X 100 | |||
| 20 | 24H1294 | Шайба | 4 | 11/32" X 1-1/8" X 1/16" | |||
| 21 | AT116162 | Изолятор | 4 | ||||
| 22 | 14M7462 | Гайка | 2 | M8 |
| key | PART NO. | PART NAME | QTY | SERIAL NO. | REMARKS | |
|---|---|---|---|---|---|---|
| 1 | RE209891 | Модуль | 1 | |||
| 2 | RE39719 | Руль | 1 | |||
| 3 | R114841 | Пружинное кольцо | 1 | |||
| 4 | R259492 | Стопорная шайба | 1 | |||
| 5 | 14M7257 | Гайка | 1 | M20 | ||
| 6 | R117432 | Ручка | 1 | |||
| 7 | 14M7426 | Стопорная гайка | 1 | M8 | ||
| 8 | B3690R | Уплотнительное кольцо | 1 | |||
| 9 | AL155227 | Крышка | 1 | |||
| 10 | L100436 | Шайба | 2 | |||
| key | PART NO. | PART NAME | QTY | SERIAL NO. | REMARKS | |
| 11 | R126024 | Направляющая | 1 | |||
| 12 | RE151774 | Стопор | 1 |
| key | PART NO. | PART NAME | QTY | SERIAL NO. | REMARKS | |
|---|---|---|---|---|---|---|
| 1 | R107551 | Педаль | 1 | |||
| 2 | R182132 | Стержень | 1 | |||
| 3 | R60730 | Пружина растяжения | 1 | |||
| 4 | R111774 | Втулка | 1 |
| key | PART NO. | PART NAME | QTY | SERIAL NO. | REMARKS | |
|---|---|---|---|---|---|---|
| 1 | N312122 | Гайка | 1 | |||
| 2 | AT139432 | Контр. клап. с гидропр. | 1 | |||
| 3 | AN302557 | Электрическая обмотка | 1 | |||
| 4 | AN302545 | Клапан | 1 | |||
| 5 | 24M7100 | Шайба | 2 | 6.600 X 22 X 2 mm | ||
| 6 | 19M10221 | Винт с головкой | 2 | M6 X 70 | ||
| 7 | 14M7397 | Стопорная гайка | 2 | M6 | ||
| 8 | N304621 | Хомут | 1 | |||
| 9 | T77613 | Уплотнительное кольцо | 5 | |||
| 10 | 38H1004 | Коленчатый патрубок | 1 | |||
| key | PART NO. | PART NAME | QTY | SERIAL NO. | REMARKS | |
| 11 | R26448 | Уплотнительное кольцо | 3 | |||
| 12 | AN403235 | Гидрошланг | 1 | LGTH = 1118 mm, SUB FOR AN231661 | ||
| 13 | AN403288 | Гидрошланг | 1 | LGTH = 1990 mm | ||
| 14 | 38H1159 | Фитинг переходника | 2 | |||
| 15 | R28782 | Уплотнительное кольцо | 2 | |||
| 16 | T77814 | Уплотнительное кольцо | 2 | |||
| 17 | 38H1093 | Коленчатый патрубок | 2 | |||
| 18 | AN403267 | Гидрошланг | 1 | LGTH = 5080 mm | ||
| 19 | AN403269 | Гидрошланг | 1 | LGTH = 5766 mm | ||
| 20 | 38H1016 | Тройник | 1 | |||
| key | PART NO. | PART NAME | QTY | SERIAL NO. | REMARKS | |
| 21 | 38H1023 | Тройник | 1 |